包覆改性生產線
| 購買咨詢:18678029022 杜經理(24小時全國統一服務電話) |
詳細介紹

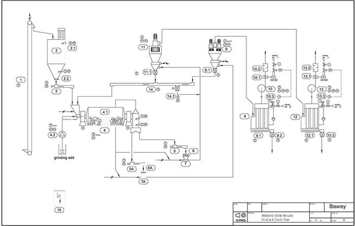
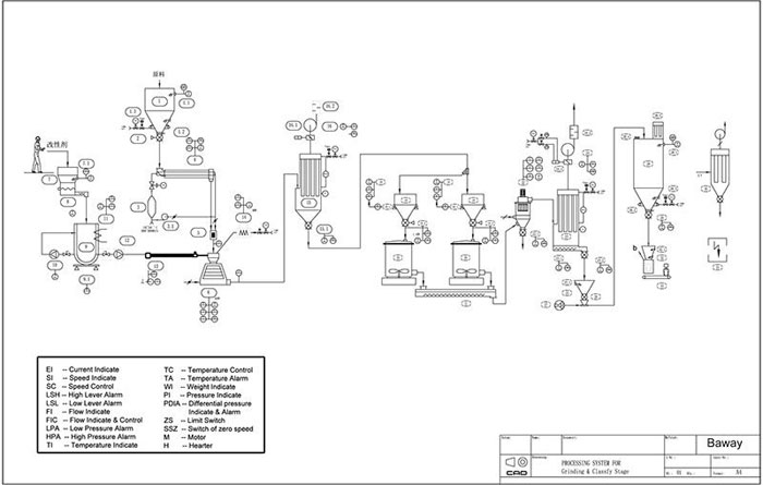
流球磨分級改性——PID

改性PID分級圖
工作原理:
粉體表面改性是利用物理、化學、機械等方法對粉體表面進行處理,根據應用需求有目的改變粉體材料表面物理化學性質,以滿足現代新材料、新工藝和新技術的發展。物料由進料系統進入改性機內,預熱后的改性藥劑經計量泵噴霧加入。進入改性機的物料經均勻打散分散后與霧化的藥劑相互混合,同時利用系統的高溫完成藥劑對粉體的表面包覆改性,成品由后端的負壓收集系統收集。
